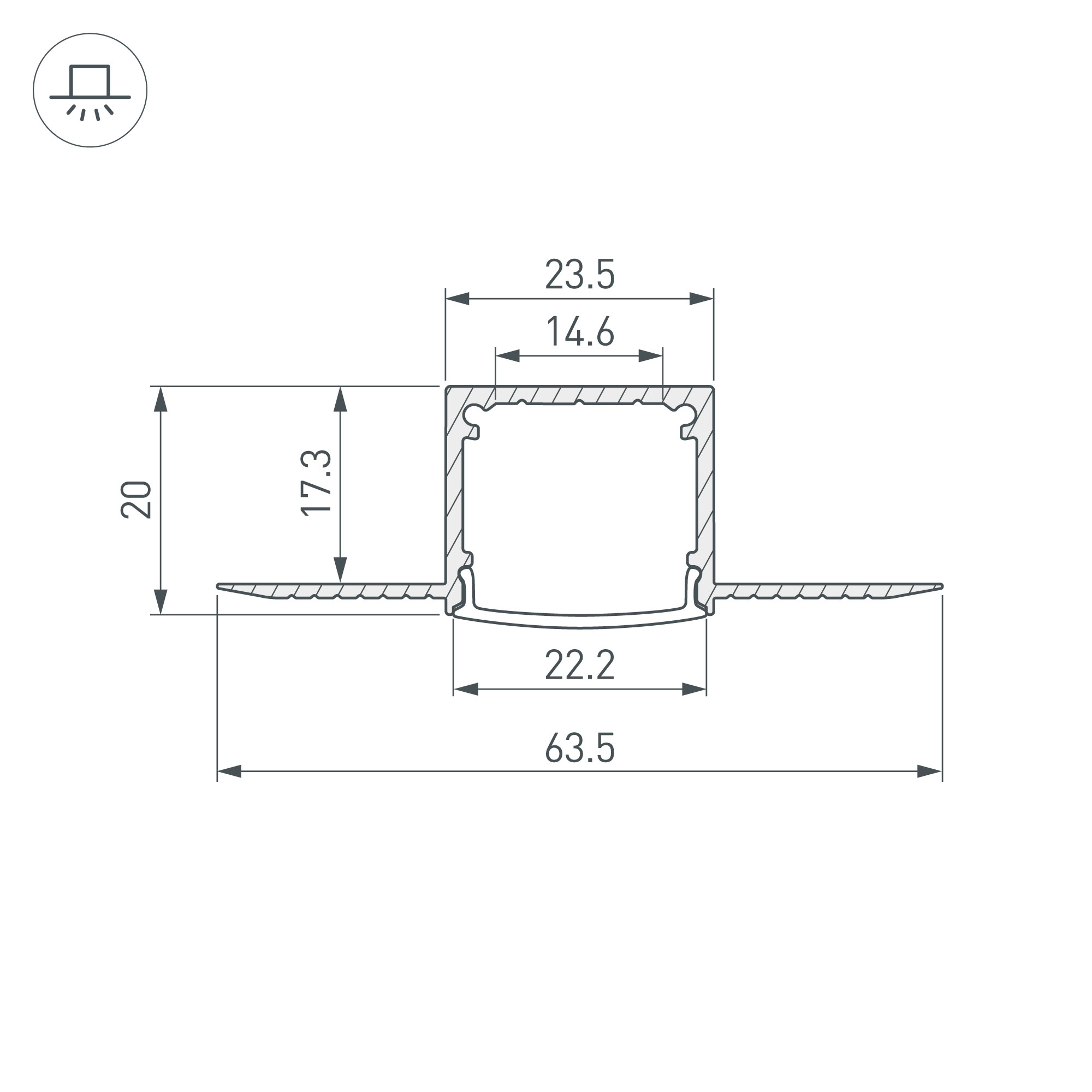
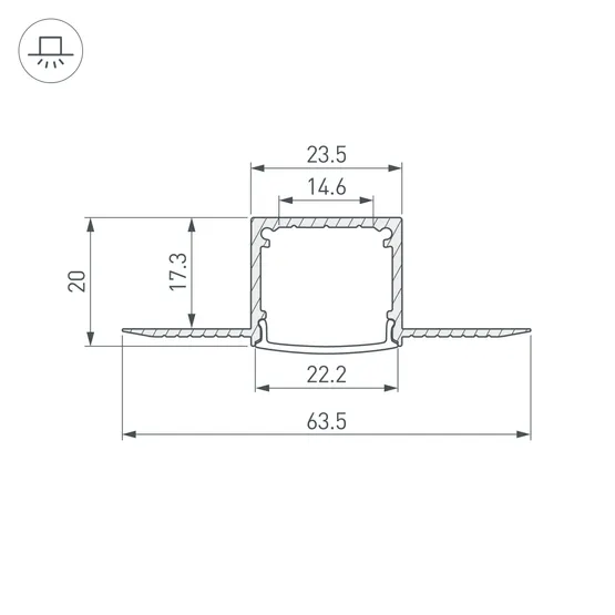
Встраиваемый профиль со скрытым фланцем под строительную отделку из алюминия для основной и контурной подсветки помещений. Габаритные размеры профиля составляют 2000 мм в длину, 63,5 мм в ширину и 20 мм в высоту. Площадка для установки светодиодных лент позволяет использовать ленту шириной до 14,6 мм. Это обеспечивает гибкость в выборе светодиодных лент и создает потрясающие световые решения.
Экраны, заглушки и другие аксессуары не включены в комплект и приобретаются отдельно. Цена указана за 1 метр профиля.
Отличное решение для создания современных световых проектов.
Перед установкой профиля в гипсокартон ОБЯЗАТЕЛЬНО установите в профиль экран.