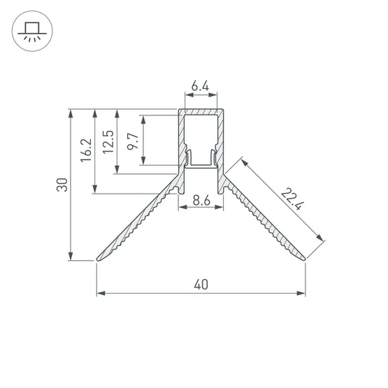
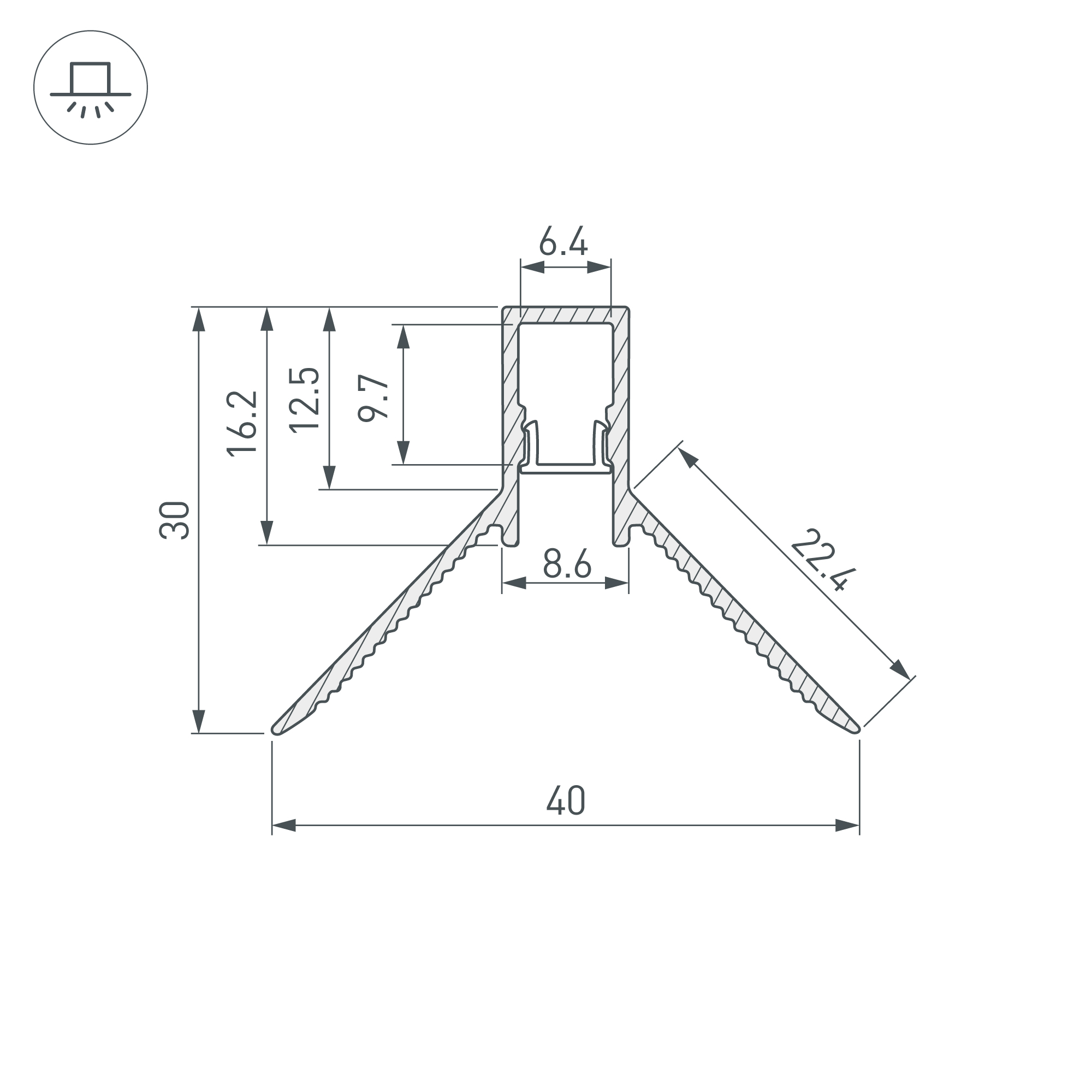
Встраиваемый угловой алюминиевый анодированный профиль для светодиодных лент и линеек под строительную отделку с утопленным экраном для контурной подсветки внутренних углов.
Габаритные размеры этого профиля составляют 2000 мм в длину, 40 мм в ширину и 30 мм в высоту. Площадка для установки светодиодных лент позволяет использовать ленту шириной до 6,4 мм и мощностью до 20 Вт/м. Это обеспечивает гибкость в выборе светодиодных лент и создает потрясающие световые решения.
Экран, заглушки и другие аксессуары не включены в комплект и приобретаются отдельно. Цена указана за 1 метр профиля.
Отличное решение для создания современных световых проектов.