Арт.: 030563

Профиль PIK-F-HIDE-2000 (Arlight, Алюминий)

Распечатать
Поделиться
Общие характеристики
Тип товара
Профиль
Цвет покрытия
Серебристый
Модельный ряд
PIK
Форма (сечение)
С фланцем
Материал корпуса
Алюминий
Индивидуальная покраска
Возможна
Назначение
Для ГКЛ
Гарантийный срок
2 год(а)
Способ монтажа
Встраиваемый со скрытым фланцем
1 82942 ₽/м

В наличии

Пленочная упаковка (полистирол) 2 м — 3 65884
Пленочная упаковка (полистирол) 2 м 3 65884
Описание
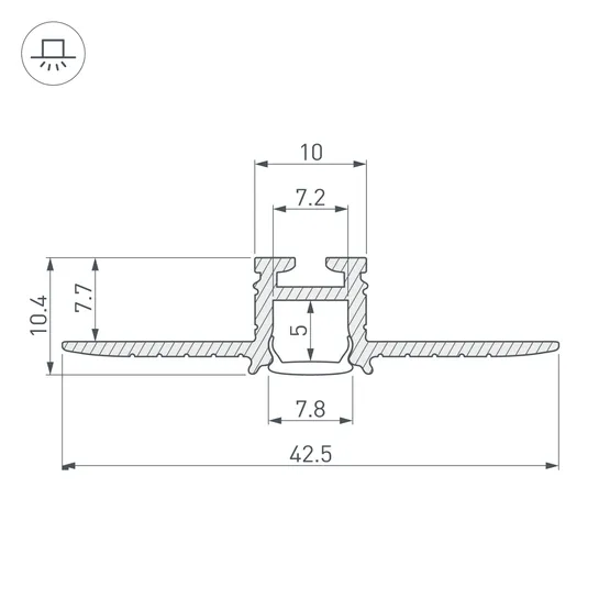
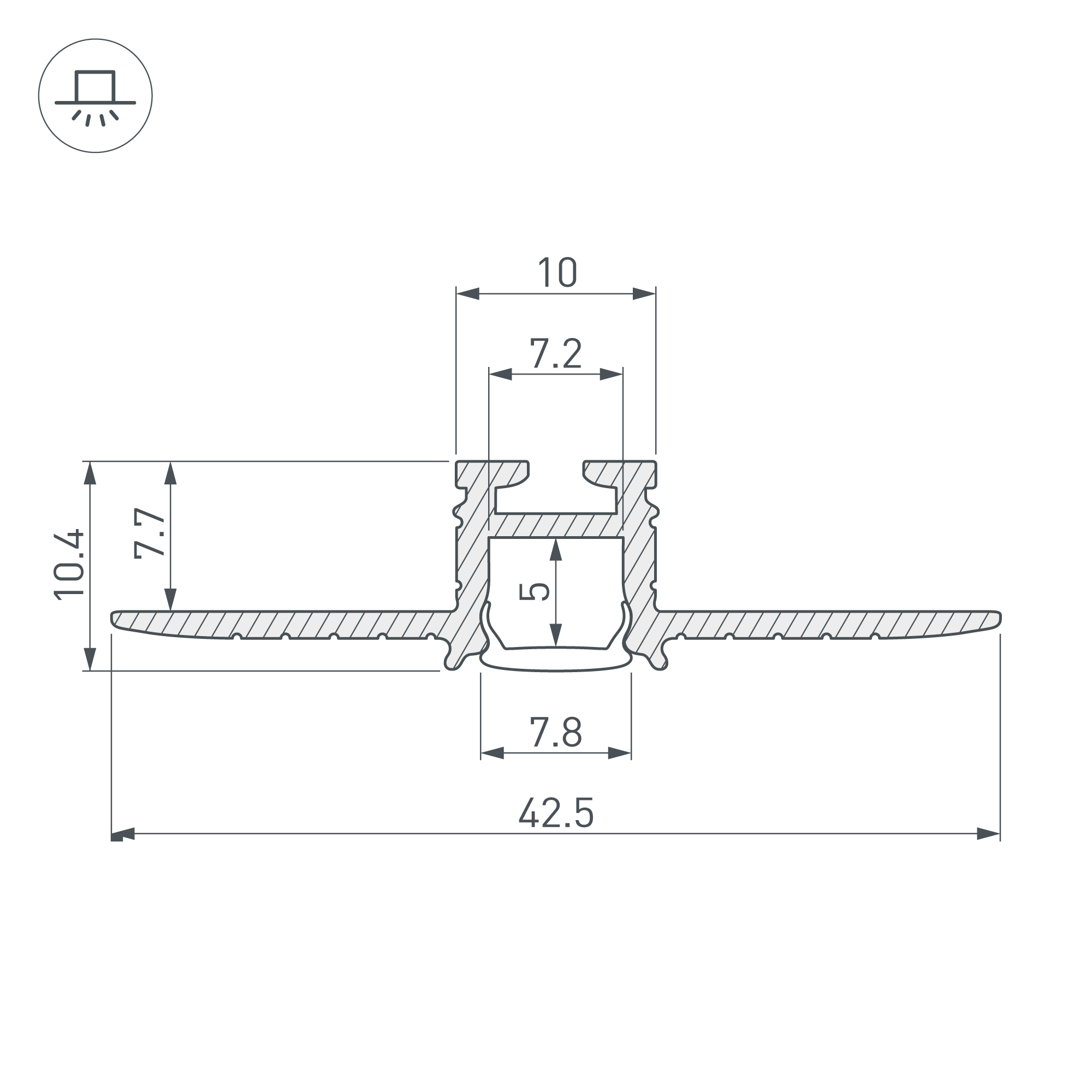
Алюминиевый встраиваемый мини-профиль со скрытым фланцем под строительную отделку для подсветки пазов, ниш и других элементов интерьера. Габаритные размеры профиля составляют 2000 мм в длину, 42,5 мм в ширину и 10,4 мм в высоту. Площадка для установки светодиодных лент позволяет использовать ленту шириной до 7,8 мм и мощностью до 23,46 Вт/м. Это обеспечивает гибкость в выборе светодиодных лент и создает потрясающие световые решения. Экраны, заглушки и другие аксессуары не включены в комплект и приобретаются отдельно. Цена указана за 1 метр профиля. Отличное решение для создания современных световых проектов. Перед установкой профиля в гипсокартон ОБЯЗАТЕЛЬНО установите в профиль экран.
Видео
Освещение премиального ресторана паназиатской кухни «Изакая берег»
18 августа 2025
Освещение премиального ресторана паназиатской кухни «Изакая берег»

Баланс современного дизайна и восточной гармонии.

Характеристики
Алюминиевый мини-профиль для светодиодных лент и линеек, встраиваемый в гипсокартон, под строительную отделку. Габаритные размеры (L×W×H): 2000x42,5x10,4 мм. Позволяет создать узкую элегантную линию света без видимых частей алюминия. Ширина световой линии 7,8 мм. Ширина площадки для ленты 7,2 мм. Экраны, заглушки и другие аксессуары приобретаются отдельно. Цена за 1 метр.
Общие
Артикул
030563
Тип товара
Профиль
Цвет покрытия
Серебристый
Модельный ряд
PIK
Форма (сечение)
С фланцем
Материал корпуса
Алюминий
Индивидуальная покраска
Возможна
Назначение
Для ГКЛ
Гарантийный срок
2 год(а)
Способ монтажа
Встраиваемый со скрытым фланцем
Светотехнические
КПД профиля (cветовой)
87 %
Эксплуатационные
Ширина световой линии
7.8 мм
Рассеиваемая тепловая мощность на 1м
max: 23.46 W
Внешний вид поверхности
Глянцевая
Покрытие поверхности
Без покрытия
Габариты
Длина
2000 мм
Ширина
42.5 мм
Высота
10.4 мм
Ширина площадки
7.2 мм
Глубина установки источника света
4 мм
Другие
Кратность цены за 1 м/шт
1
Модели серии (6)
Страница серии
Item 1 of 6