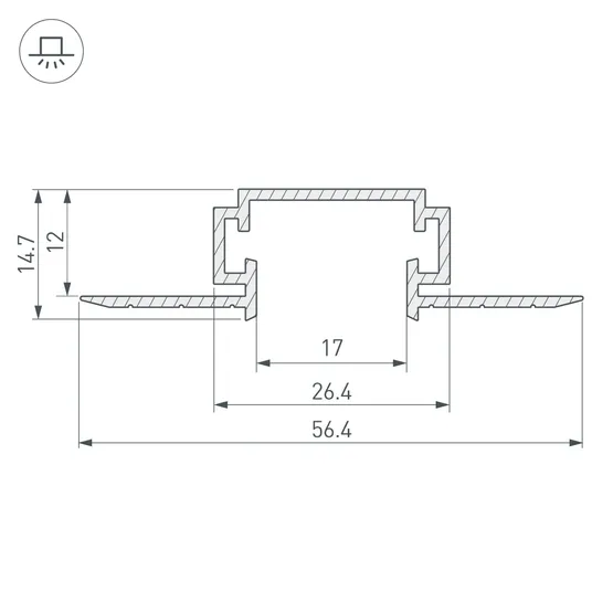
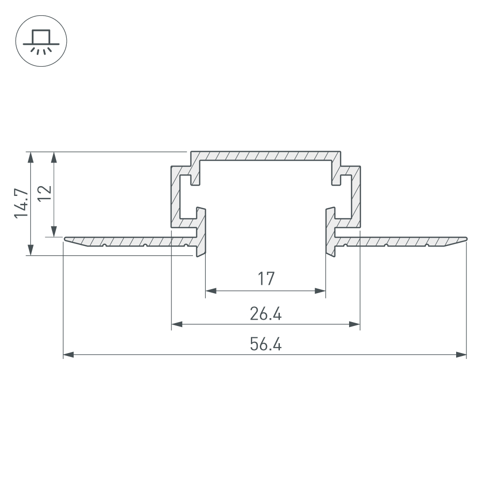
Алюминиевый профиль-держатель со скрытым фланцем под строительную отделку для установки в гипсокартон толщиной 12 мм профиля PDS-D при помощи идущих в комплекте металлических клипс. Габаритные размеры профиля составляют 2000 мм в длину, 56,4 мм в ширину и 14,7 мм в высоту. Заглушки и другие аксессуары приобретаются отдельно. Цена указана за 1 метр профиля.